联系我们
Contact Us总经理:顾海忠
手机:13806119701
电话:086-519-88671738
传真:086-519-88672738
地址:江苏省常州市天宁区郑陆镇焦溪舜北村
网址:www.frdryer.com
邮编:213115
螺带真空干燥机
详细说明
一、产品概述及用途:
螺带真空干燥机是一种集干燥、粉碎、混粉为一体的高效多功能全密闭立式真空干燥设备。它的干燥效率是同等规格“双锥回转真空干燥机”3-5倍。主要应用于制药、化工、农药、食品等行业的粉体干燥,可实现全过程为封闭的连续操作,是上述行业的干燥设备。

二、设备工艺特点:
粉体的干燥、混合是原料药生产中的重要环节,所以选用的干燥混合设备是其终产品质量的保证,同时也是决定生产运行成本的关键。本公司新开发研制的“DZLG系列单锥螺旋真空干燥机”以其独特的结构和的优势引领国内化工制药行业的干燥技术。
(一)干燥器的选择需要符合各类产品和工艺的具体要求和特点。其内容主要是以下几个方面:
1、物料在生产中处理的原料粗品大都具有热敏性,所以在干燥的过程中往往出现物料结块,这就需要尽量缩短干燥时间,提高干燥效率。
2、在物料生产中,干燥过程中使用的循环气体的纯度会给物料的质量带来很大的影响。该设备采用独特的给气技术,使气体对干燥过程中的影响降到低。从运行经济性的角度出发,希望所有的工艺管线能够固定安装,从而节省类似双锥干燥器所要求的回转空间。
3、为了使整个流程连续起来,并同时减少物料的泄漏损失,干燥器的固体出料流量是可控的。这样能够减少清洁区人工操作装卸的工作量,及防止物料外冲现象。

(二)、DZLG系列单锥真空螺带干燥机的结构及特性:
1、DZLG系列单锥真空螺带干燥机工作过程为间歇批操作,湿物料进入料仓后,通过筒壁夹套和螺旋桨内部给热,使给热面积达到整个容器面积的140%,对物料进行升温干燥。并选择相应的锥型干燥混合器型号(工作容积)达到理想的干燥效果。采用上驱式结构的混合干燥机具有高效干燥、混合能力的同时,具有空间充裕,更便于使用者进行检修维护的特点。
2、运行平稳,保护晶形:
DZLG系列螺旋真空干燥在干燥以及混合工艺过程中没有使用任何辅助工具,仅仅利用圆锥型搅拌螺旋的公转及自转,这使得物料除了来自搅拌螺旋的提升并不断地得到剪切和分散,保证了料仓内所有物料都能获得充分运动,并能使物料除了来自螺旋浆的提升以外,没有受到任何其它外力的挤压,避免了粉体与设备以及粉体晶粒之间所产生的无效摩擦,而无效摩擦往往是导致物料晶形破坏的主要因素。这也是LZG系列螺旋真空干燥能够在作业过程中得以保持物料晶形完整无损的根本原因。
3、顶部驱动,杜绝了轴密封给产品带来的污染可能:
采用顶部驱动,相对底部驱动,该设备可以避免如下弊端:
搅拌桨必须使用专用的设备拆卸以进行清洗、维护
搅拌桨轴密封件很难做到真的密封无污染,缺乏质量保障

4、运行能耗成本低、混合效率高:
DZLG系列单锥真空螺带干燥采用电机驱动,设计独特,电机运转所带动的螺旋用于提升物料,没有单独用于下料的能量消耗。尤为值得说明的是,在混合、干燥工艺过程中,传统的混合、干燥设备所提供的是一种带式搅拌桨。其工作原理是搅拌运动时,运动的物料如同一个整体,大量的能耗被用于整体物料进行圆周运动,因此这种搅拌所提供的干燥效率是低下的。而LZG系列螺旋真空干燥所提供的是一种圆锥型螺旋搅拌,整个搅拌桨围绕锥形料仓轴心线进行圆周运动,保证整个容器内不同部位的物料均能得到搅拌,随着螺旋搅拌的进行,逐渐将料仓底部的物料提升到容器的上部,再由其自然下落,如此循环。这种搅拌模式,使得容器内物料得到充分的均匀混合,杜绝了干燥过程中物料结块的可能,大幅度地提高了物料的混合、干燥效率。而且具有处理量范围较宽、单位质量的能耗低等优点。
5、操作简单,维护方便:
DZLG系列单锥真空螺带干燥机械结构简单有效,操作人员容易理解,简单的按钮控制使操作过程非常简单。一些维修保养工作甚至在没有人员的情况下也可以顺利快速完成,设置的人孔可以很容易地调整和维护运动螺杆,无需复杂的拆卸便可完成。该设备的易损件非常少,轴承箱等驱动单元设置在料仓的顶部,用户在维修时很容易将整个单元拆离,而且顶部的驱动单元位置空间也比较充裕。
三.设备结构特点和功能:
1.设备采用夹套和螺带内部加热,使设备整体加热面积增大约40%。
2.设备所采用的单螺带搅拌器为本公司的专利产品,可实现自下而上循环搅拌的效果,能得到高效的强制传热性能。物料装填率在40%~100%情况下,可得到100%的加热利用。适合细腻物料的混合、干燥。
3.全密封系统、无异物污染、洁净度高,特别适用药品中间体及原料药等混合、干燥,也可适用无菌原料药的混合和干燥。
4.单螺带搅拌器与容器壁之间间隙小,可有效防止物料粘结在器壁表面。
5.采用小角度的锥型筒体结构,使卸料速度快、干净、不积料。
6.配置了反冲装置:
在物料烘干过程中因物料干燥而扬起的粉尘吸附在真空捕集器上,堵塞了真空通道,气体通道的不畅通直接导致烘干时间的延长。物料在烘干过程中的温度越低、烘干时间越短,物料质量受到的影响就越小。针对上述原因,我公司开发的单锥干燥机在真空捕集器上加装了反吹装置,能够在物料烘干过程中保持真空通道的畅通,从而保证烘干时间和烘干质量。
7.底部放料阀为抽板阀,密封可靠,有利于真空干燥。
8.设备结构紧凑,运转平称,密封良好,无润滑泄漏,操作简便,使用寿命长。
四.工作原理:
本机由加热锥体设有加热夹套,热源为热水、导热油或低压蒸汽,从而使锥体内壁保持一定的的温度。变频调速电机经平行斜齿轮减速机,驱动单螺带搅拌器旋转,带动物料沿锥型筒旋转并自下而上提升,物料到达高点后由重力和惯性作用,自动流向旋涡中心回到锥型筒体底部,整个过程使物料在锥型筒体内强制加热,相对对流、掺混,热量在物料中相互扩散,使物料作全方位的不规则往复运动,完成物料同单螺带和筒壁表面进行高频率传热交换,在短时间内达到加热干燥的效果。从而使物料内部水份不断蒸发,在真空泵的作用下,水蒸汽由真空泵引出,如须回收液体可加冷凝器、回收液储罐回收。干燥完成后,打开下部的出料阀出料。

五.主要结构:
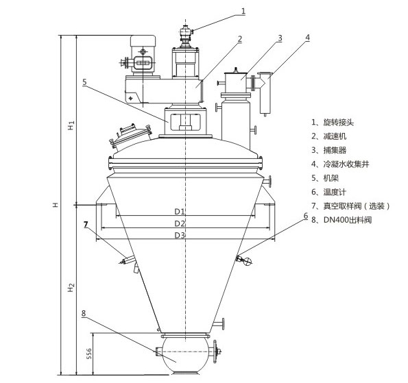
本机由电机、减速机、机架、机械密封、金属烧结网过滤器、空心双螺带搅拌器、带夹套加热的锥型筒体和卸料阀等部件组成。
1.传动和密封部分:
由电动机、减速机、机架和机械密封组成。
1.1电动机:采用变频调速电机,运转过程中可根据需要调整转速。
1.2减速机:SLFA系列斜齿轮减速机,运行平稳可靠、噪音低,使用寿命长。
1.3机架:自行设计,制造精度高。内设二副滚子轴承,可调整搅拌器高度和径向摆动。
1.4机械密封:单端面卫生型带接料冲洗腔,密封性好。
2.搅拌器:
空心搅拌轴用支撑杆分别与空心螺带连接,与空心螺带连接的上下端用空心支撑杆形成可通过热媒的回路。为了保证物料不粘结于筒壁,螺带与筒壁的间隙很小。
3.罐体:
该部分由上封头、圆锥筒体、真空过滤器、出料阀等组成。
3.1上封头:承载传动部分及搅拌器;内表面接管口均圆弧过渡。所有与物料接触的材质均为316L。工艺管口如下:DN400卫生型人孔、压力表、防爆视灯、视镜口、进料口、清洗口、真空口等。
3.2带加热夹套的下锥体:内表面光滑、无死角,可以使物料得到充分干燥。出料时借助搅拌器的旋转,使出料迅速、干净。
3.3过滤器:采用金属烧结网,过滤精度高,过滤面积大。并且在真空出口设置排气口,在排气时对过滤器进行压缩空气反吹再生。
3.4出料阀:采用抽板阀,其出料速度快,操作方便,出料无残留无死角。
工程案列如下:
江苏中旗作物保护股份有限公司
淮安国瑞化工有限公司
武汉富强科技发展有限公司
盐城开元医药化工有限公司









扫一扫关注手机端